產品簡介
螺桿泵是一種基于阿基米德螺旋泵衍生的容積泵,它依靠螺桿軸(轉子)與橡膠套(定子)相互嚙合,當動力端通過萬向節驅動轉子繞定子中心作時,轉子與定子就連續地嚙合形成真空腔,這些真空腔作勻速軸向運動,把輸送介質從入口輸送至出口,吸入真空腔內的介質流過定子而不被攪動和破壞。
產品概覽
型號意義
產品優勢
污泥螺桿泵與其他泵類的優勢比較
- 與離心泵相比螺桿泵無需安裝閥門,流量更加穩定;
- 與柱塞泵相比G型單螺桿泵具有更強的自吸能力;
- 與隔膜泵相比單螺桿泵可輸送各種混合雜質含有氣體及固體顆?;蚶w維的介質,也可輸送各種腐蝕性物質;
- 與齒輪油泵相比,螺桿泵可輸送更高粘度的介質;
- 與柱塞泵,隔膜泵及齒輪泵不同的是,污泥螺桿泵可用于藥劑填充和計量。
固定轉速時的性能參數
| 型號 |
流量(m3/h) |
壓力(Mpa) |
允許最高轉數(r/min) |
電機功率(kw) |
必需汽蝕余量(m) |
進口法蘭通徑(mm) |
出口法蘭通徑(mm) |
允許顆粒直徑(mm) |
允許纖維長度(mm) |
| G20-1 |
0.8 |
0.6 |
960 |
0.75 |
4 |
25 |
25 |
1.5 |
25 |
| G20-2 |
1.2 |
1.5 |
| G25-1 |
2 |
0.6 |
960 |
1.5 |
32 |
25 |
2 |
30 |
| G25-2 |
1.2 |
2.2 |
| G30-1 |
5 |
0.6 |
960 |
2.2 |
50 |
40 |
2.5 |
35 |
| G30-2 |
1.2 |
3 |
| G35-1 |
8 |
0.6 |
960 |
3 |
65 |
50 |
3 |
40 |
| G35-2 |
1.2 |
4 |
| G40-1 |
12 |
0.6 |
960 |
4 |
80 |
65 |
3.8 |
45 |
| G40-2 |
1.2 |
5.5 |
| G50-1 |
20 |
0.6 |
960 |
5.5 |
4.5 |
100 |
80 |
5 |
50 |
| G50-2 |
1.2 |
7.5 |
| G60-1 |
30 |
0.6 |
960 |
11 |
5 |
125 |
100 |
6 |
60 |
| G60-2 |
1.2 |
15 |
| G70-1 |
45 |
0.6 |
720 |
11 |
150 |
125 |
8 |
70 |
| G70-2 |
1.2 |
15 |
| G85-1 |
60 |
0.6 |
720 |
15 |
150 |
150 |
10 |
80 |
| G85-2 |
1.2 |
450 |
22 |
| G105-1 |
80 |
0.6 |
400 |
22 |
200 |
200 |
15 |
110 |
| G105-2 |
1.2 |
350 |
30 |
| G135-1 |
120 |
0.6 |
350 |
37 |
250 |
250 |
20 |
150 |
| G135-2 |
1.2 |
280 |
55 |
單級,由齒輪變速、電磁調速電機加齒輪變速或無級變速電機加齒輪變速時的性能參數
| 型號 |
壓力0.3Mpa |
壓力0.6Mpa |
可調轉數 |
| 轉數(r/min) |
流量(m3/h) |
電動機功率(kw) |
轉數(r/min) |
流量(m3/h) |
電動機功率(kw) |
轉數(r/min) |
流量(m3/h) |
電動機功率(kw) |
| G20-1 |
960 |
0.96 |
0.75-6級 |
960 |
0.8 |
0.75-6級 |
125~1250 |
0.1~1.5 |
1.1 |
| 720 |
0.8 |
0.55-8級 |
720 |
0.5 |
0.75-8級 |
| 510 |
0.4 |
0.55-4級/齒輪箱 |
510 |
0.3 |
0.75-4級/齒輪箱 |
| G25-1 |
960 |
2.4 |
0.75-6級 |
960 |
2 |
1.5-6級 |
125~1250 |
0.1~3 |
1.5 |
| 720 |
1.5 |
0.55-8級 |
720 |
1.27 |
1.1-8級 |
| 510 |
1.08 |
0.55-4級/齒輪箱 |
510 |
0.9 |
1.1-4級/齒輪箱 |
| G30-1 |
960 |
3.6 |
1.5-6級 |
960 |
3 |
2.2-6級 |
125~1250 |
0.2~4 |
2.2 |
| 720 |
2.28 |
1.1-8級 |
720 |
1.9 |
1.5-8級 |
| 510 |
1.63 |
1.1-4級/齒輪箱 |
510 |
1.35 |
1.5-4級/齒輪箱 |
| G35-1 |
720 |
4.8 |
2.2-8級 |
720 |
4.04 |
3-8級 |
125~890 |
0.3~5 |
3 |
| 510 |
3.36 |
1.5-4級/齒輪箱 |
510 |
2.8 |
2.2-4級/齒輪箱 |
| 380 |
1.92 |
1.1-4級/齒輪箱 |
380 |
1.60 |
1.5-4級/齒輪箱 |
| G40-1 |
510 |
6.8 |
2.2-4級/齒輪箱 |
510 |
5.6 |
3-4級/齒輪箱 |
125~890 |
0.3~10 |
4 |
| 380 |
5.1 |
1.5-4級/齒輪箱 |
380 |
4 |
2.2-4級/齒輪箱 |
| 252 |
2.65 |
1.1-6級/齒輪箱 |
252 |
2.2 |
1.5-6級/齒輪箱 |
| G50-1 |
510 |
13.8 |
4-4級/齒輪箱 |
510 |
11.5 |
5.5-4級/齒輪箱 |
80~750 |
1~18 |
5.5 |
| 380 |
10.2 |
4-4級/齒輪箱 |
380 |
7.5 |
5.5-4級/齒輪箱 |
| 252 |
5.6 |
3-6級/齒輪箱 |
252 |
4.4 |
5.5-6級/齒輪箱 |
| G60-1 |
510 |
20.8 |
7.5-4級/齒輪箱 |
510 |
16 |
11-4級/齒輪箱 |
63~630 |
1~20 |
11 |
| 380 |
15.6 |
7.5-4級/齒輪箱 |
380 |
12 |
11-4級/齒輪箱 |
| 252 |
7.8 |
5.5-6級/齒輪箱 |
252 |
6 |
7.5-6級/齒輪箱 |
| G70-1 |
510 |
26 |
11-4級/齒輪箱 |
510 |
20 |
11-4級/齒輪箱 |
56~560 |
1~22 |
11 |
| 380 |
17 |
7.5-4級/齒輪箱 |
380 |
13 |
11-4級/齒輪箱 |
| 252 |
9.1 |
7.5-6級/齒輪箱 |
252 |
7 |
7.5-6級/齒輪箱 |
| G85-1 |
380 |
32 |
11-4級/齒輪箱 |
380 |
25 |
15-4級/齒輪箱 |
37~370 |
2~24 |
15 |
| 252 |
21 |
7.5-6級/齒輪箱 |
252 |
16 |
11-6級/齒輪箱 |
| 189 |
11 |
5.5-8級/齒輪箱 |
189 |
8 |
11-8級/齒輪箱 |
| G105-1 |
380 |
80 |
15-4級/齒輪箱 |
380 |
65 |
22-4級/齒輪箱 |
29~290 |
3~50 |
22 |
| 252 |
44 |
15-6級/齒輪箱 |
252 |
34 |
22-6級/齒輪箱 |
| 189 |
29 |
11-8級/齒輪箱 |
189 |
22 |
15-8級/齒輪箱 |
| G135-1 |
380 |
132 |
37-4級/齒輪箱 |
380 |
120 |
45-4級/齒輪箱 |
18~180 |
3~56 |
45 |
| 252 |
95 |
30-6級/齒輪箱 |
252 |
80 |
37-6級/齒輪箱 |
| 189 |
65 |
18.5-6級/齒輪箱 |
189 |
53 |
30-8級/齒輪箱 |
雙級,由齒輪變速、電磁調速電機加齒輪變速或無級變速電機加齒輪變速時的性能參數
| 型號 |
壓力0.8Mpa |
壓力1.2Mpa |
可調轉數 |
| 轉數(r/min) |
流量(m3/h) |
電動機功率(kw) |
轉數(r/min) |
流量m3/h) |
電動機功率(kw) |
轉數r/min) |
流量m3/h) |
電動機功率(kw) |
| G20-2 |
960 |
0.96 |
1.5-6級 |
960 |
0.8 |
1.5-6級 |
125~1250 |
0.1~1.5 |
1.5 |
| 720 |
0.8 |
1.1-8級 |
720 |
0.5 |
1.5-8級 |
| 510 |
0.4 |
1.1-4級/齒輪箱 |
510 |
0.3 |
1.1-4級/齒輪箱 |
| G25-2 |
960 |
2.4 |
1.5-6級 |
960 |
2 |
2.2-6級 |
125~1250 |
0.1~3 |
2.2 |
| 720 |
1.5 |
1.1-8級 |
720 |
1.27 |
1.5-8級 |
| 510 |
1.08 |
1.1-4級/齒輪箱 |
510 |
0.9 |
1.5-4級/齒輪箱 |
| G30-2 |
960 |
3.6 |
3-6級 |
960 |
3 |
3-6級 |
125~1250 |
0.2~4 |
3 |
| 720 |
2.28 |
1.5-8級 |
720 |
1.9 |
2.2-8級 |
| 510 |
1.63 |
1.5-4級/齒輪箱 |
510 |
1.35 |
2.2-4級/齒輪箱 |
| G35-2 |
720 |
4.8 |
3-8級 |
720 |
4.04 |
4-8級 |
125~890 |
0.3~5 |
4 |
| 510 |
3.36 |
2.2-4級/齒輪箱 |
510 |
2.8 |
3-4級/齒輪箱 |
| 380 |
1.92 |
1.5-4級/齒輪箱 |
380 |
1.60 |
2.2-4級/齒輪箱 |
| G40-2 |
510 |
6.8 |
4-4級/齒輪箱 |
510 |
5.6 |
5.5-4級/齒輪箱 |
125~890 |
0.3~10 |
5.5 |
| 380 |
5.1 |
3-4級/齒輪箱 |
380 |
4 |
4-4級/齒輪箱 |
| 252 |
2.65 |
2.2-6級/齒輪箱 |
252 |
2.2 |
3-6級/齒輪箱 |
| G50-2 |
510 |
13.8 |
5.5-4級/齒輪箱 |
510 |
11.5 |
7.5-4級/齒輪箱 |
80~750 |
1~18 |
7.5 |
| 380 |
10.2 |
4-4級/齒輪箱 |
380 |
7.5 |
5.5-4級/齒輪箱 |
| 252 |
5.6 |
3-6級/齒輪箱 |
252 |
4.4 |
5.5-6級/齒輪箱 |
| G60-2 |
510 |
20.8 |
15-4級/齒輪箱 |
510 |
16 |
15-4級/齒輪箱 |
63~630 |
1~20 |
15 |
| 380 |
15.6 |
11-4級/齒輪箱 |
380 |
12 |
15-4級/齒輪箱 |
| 252 |
7.8 |
7.5-6級/齒輪箱 |
252 |
6 |
11-6級/齒輪箱 |
| G70-2 |
510 |
26 |
15-4級/齒輪箱 |
510 |
20 |
18.5-4級/齒輪箱 |
56~560 |
1~22 |
18.5 |
| 380 |
17 |
11-4級/齒輪箱 |
380 |
13 |
15-4級/齒輪箱 |
| 252 |
9.1 |
11-6級/齒輪箱 |
252 |
7 |
11-6級/齒輪箱 |
| G85-2 |
380 |
32 |
18.5-4級/齒輪箱 |
380 |
25 |
22-4級/齒輪箱 |
37~370 |
2~24 |
22 |
| 252 |
21 |
15-6級/齒輪箱 |
252 |
16 |
18.5-6級/齒輪箱 |
| 189 |
11 |
15-8級/齒輪箱 |
189 |
8 |
15-8級/齒輪箱 |
| G105-2 |
380 |
80 |
30-4級/齒輪箱 |
380 |
65 |
37-4級/齒輪箱 |
29~290 |
3~50 |
37 |
| 252 |
44 |
30-6級/齒輪箱 |
252 |
34 |
30-6級/齒輪箱 |
| 189 |
29 |
22-8級/齒輪箱 |
189 |
22 |
22-8級/齒輪箱 |
| G135-2 |
380 |
132 |
55-4級/齒輪箱 |
380 |
120 |
75-4級/齒輪箱 |
18~180 |
3~56 |
75 |
| 252 |
95 |
55-6級/齒輪箱 |
252 |
80 |
75-6級/齒輪箱 |
| 189 |
65 |
37-8級/齒輪箱 |
189 |
53 |
45-8級/齒輪箱 |
單、雙級水煤漿工作泵的性能參數
| 泵型 |
流量(m3/h) |
工作壓力(Mpa) |
轉數(r/min) |
齒輪減速配套調速電機(kw) |
| G30-2 |
~1 |
1.2 |
30~300 |
YCT160/4A-2.2 |
| G35-2 |
~2 |
1.2 |
30~300 |
YCT160/4A-2.2 |
| G40-2 |
~3 |
1.2 |
30~280 |
YCT160/4A-3 |
| G50-1 |
~4.5 |
0.6 |
28~280 |
YCT180/4A-4 |
| G50-2 |
~4.5 |
1.2 |
28~280 |
YCT200/4A-5.5 |
| G60-1 |
~6.5 |
0.6 |
25~250 |
YCT200/4A-5.5 |
| G60-2 |
~6.5 |
1.2 |
25~250 |
YCT200/4B-7.5 |
| G70-1 |
~8 |
0.6 |
25~250 |
YCT200/4B-7.5 |
| G85-1 |
~12.5 |
0.6 |
18~180 |
YCT225/4A-11 |
| G105-1 |
~20 |
0.6 |
14~140 |
YCT225/4B-15 |
| G135-1 |
~35 |
0.6 |
10~100 |
YCT250/4B-22 |
說明:
- 以上性能參數是常溫清水試驗時的試驗數據;
- 對于不同的介質、不同的轉速,性能參數都將變化,其流量值與濃度、粘度成反比,與轉速成正比;
- 用戶必須根據使用要求、輸送介質的狀況、選型原則選擇泵的類型,或者和本公司技術部門協商來決定螺桿泵的類型。
- 對于水煤漿泵傳動形式為齒輪調速配套電磁調速電機或機械無級變速電機,流量隨轉速變化無級可調。
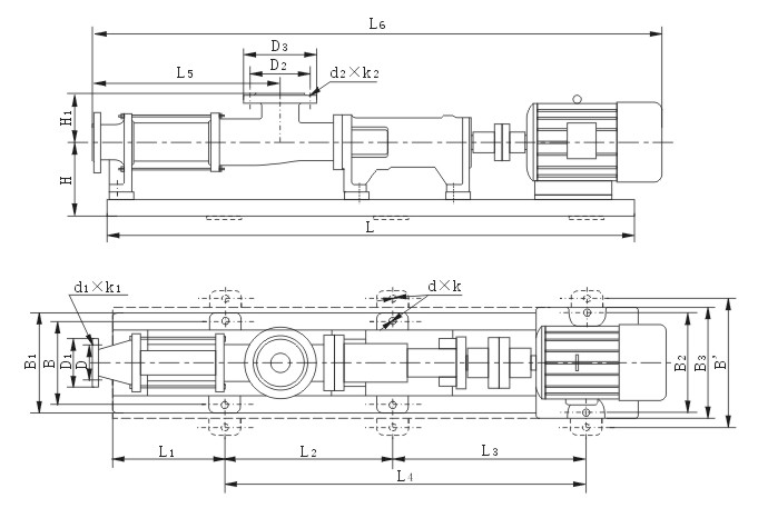
結構圖紙

污泥螺桿泵結構圖
安裝尺寸本數據僅供參考,請以實際訂貨為準!

注意事項
- 開機前必先確定方向,不得反轉;
- 嚴禁在無介質的情況下空運轉,以免損壞定子;
- 新安裝或停機數天后的單螺桿泵,不能立即啟動,應先向泵體內注入適量機油或肥皂水,再用管子鉗扳動幾轉后才可啟動;
- 輸送高粘度或含顆粒及腐蝕性的介質后,應用水或溶劑進行沖洗,防止阻塞,以免下次啟動困難;
- 冬季應排除積液,防止凍裂;
- 使用過程中軸承座內應定期加潤滑油,發現軸端有滲流時,要及時處理或更換油封;
- 在運行中如發現異常情況,應立即停車檢查原因,排除故障。
技術文檔
螺桿泵前世今生-螺桿泵知識大全